Официальное опубликование правовых актов
ОФИЦИАЛЬНОЕ ОПУБЛИКОВАНИЕ
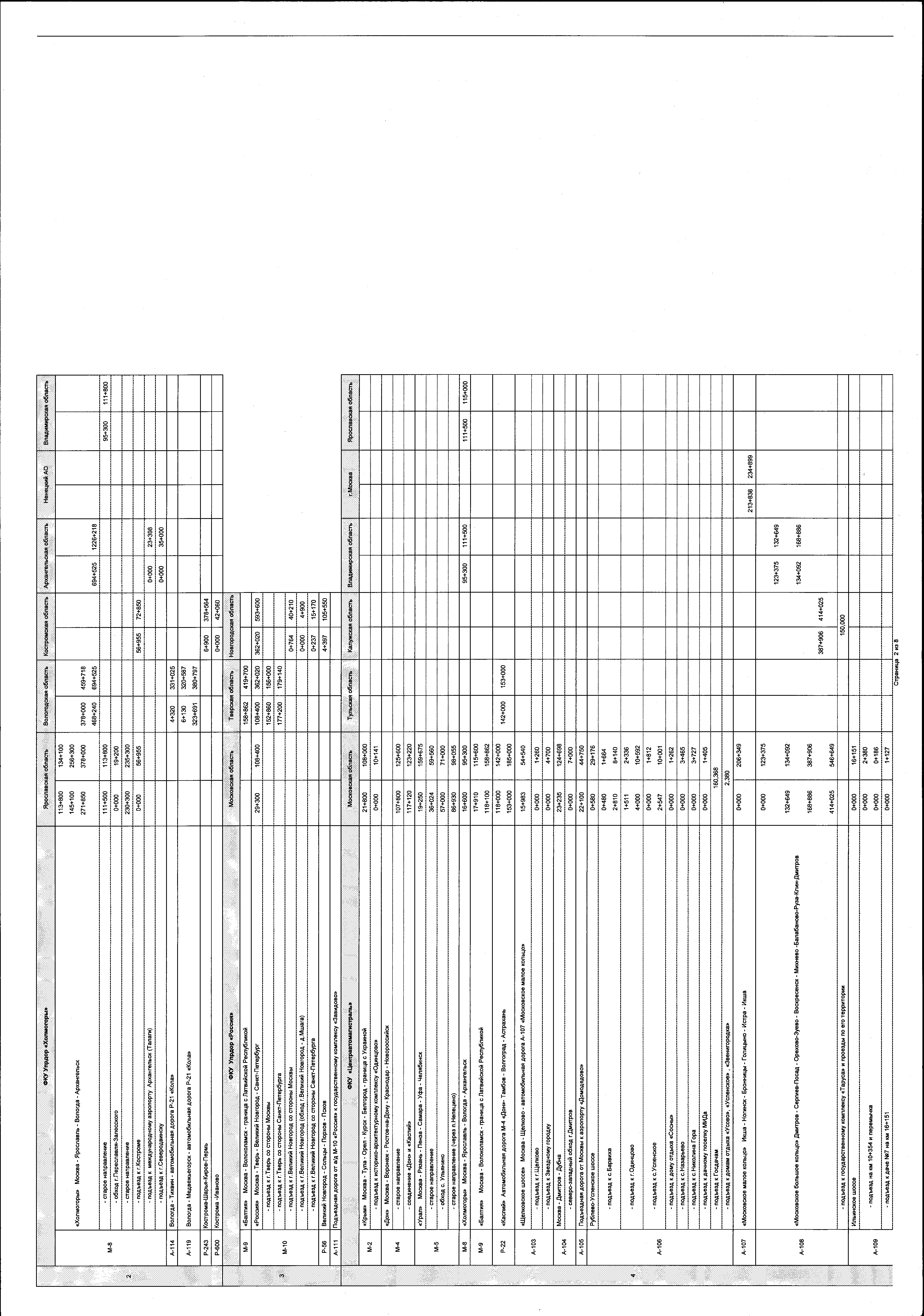
Приказ Федерального дорожного агентства от 11.04.2018 № 1088
"О введении временного ограничения движения транспортных средств по автомобильным дорогам общего пользования федерального значения в 2018 году"
(Зарегистрирован 21.06.2018 № 51395)
Номер опубликования: 0001201806220013
Дата опубликования: 22.06.2018
Страница №6 из 12: