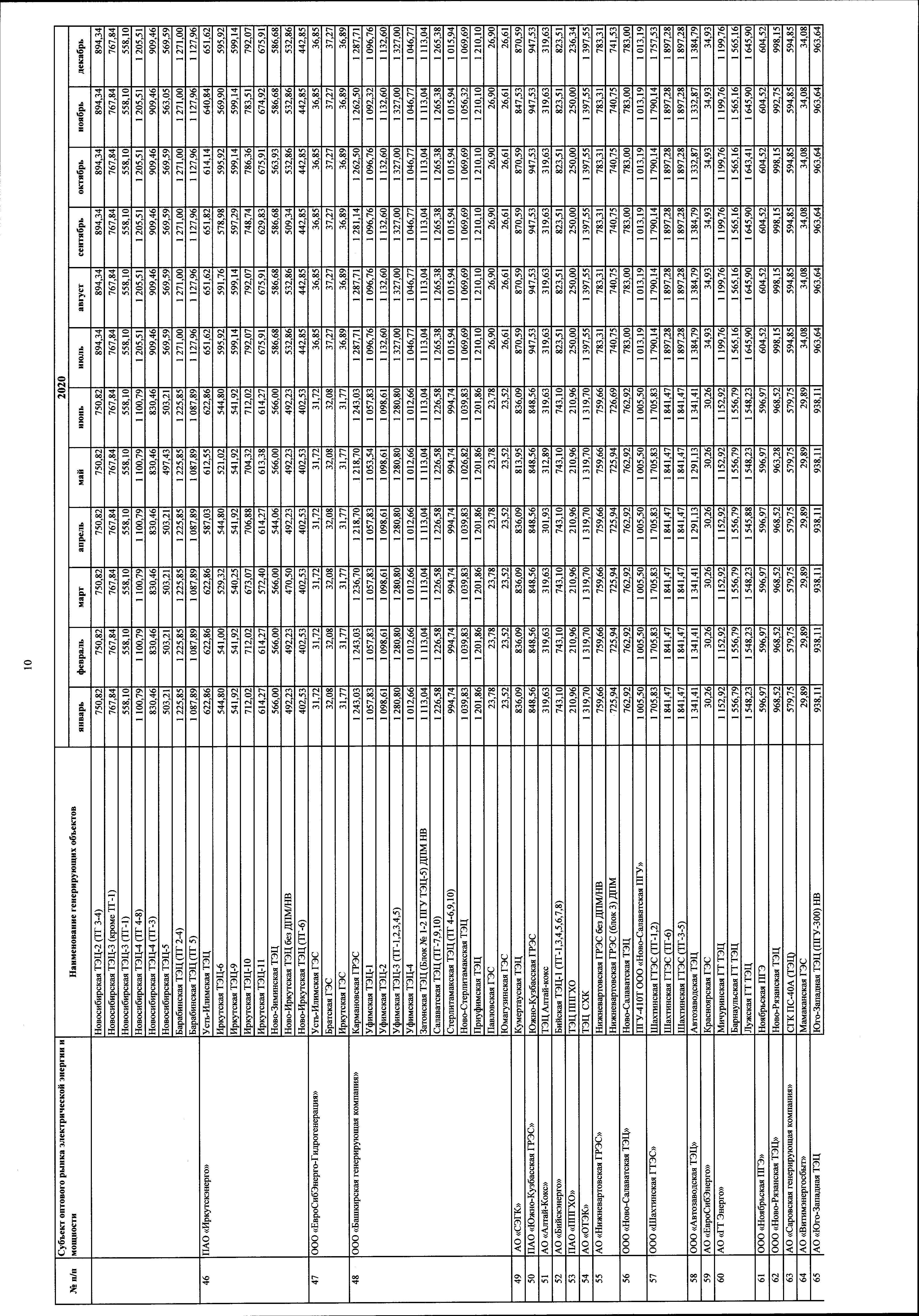
Приказ Федеральной антимонопольной службы от 12.12.2019 № 1642/19
"Об утверждении цен (тарифов) на электрическую энергию на 2020 год, поставляемую в условиях ограничения или отсутствия конкуренции при введении государственного регулирования"
(Зарегистрирован 25.12.2019 № 56986)
"Об утверждении цен (тарифов) на электрическую энергию на 2020 год, поставляемую в условиях ограничения или отсутствия конкуренции при введении государственного регулирования"
(Зарегистрирован 25.12.2019 № 56986)
Номер опубликования: 0001201912260066
Дата опубликования:
26.12.2019
