Официальное опубликование правовых актов
ОФИЦИАЛЬНОЕ ОПУБЛИКОВАНИЕ
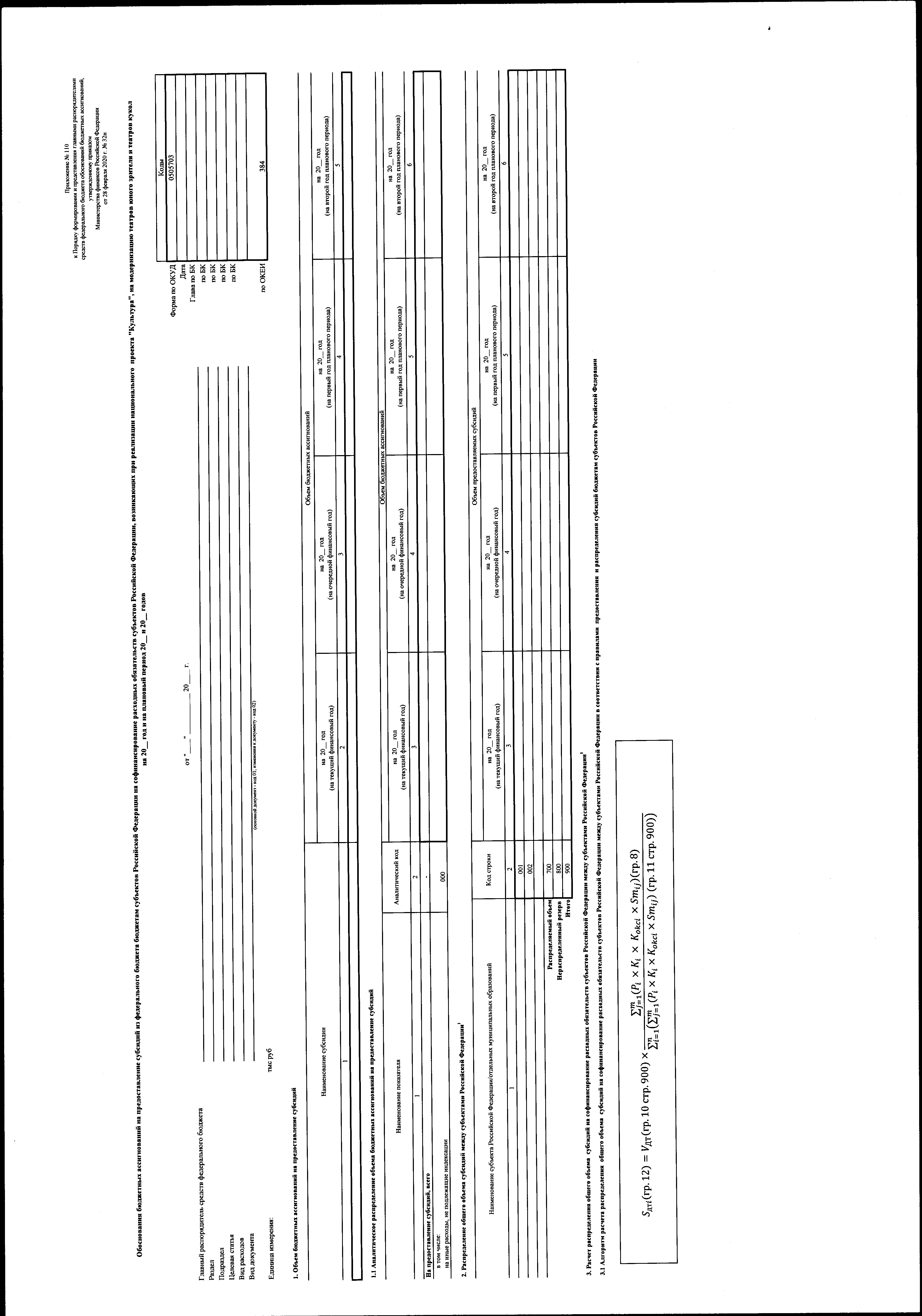
Приказ Министерства финансов Российской Федерации от 29.06.2020 № 124н
"О внесении изменений в Порядок формирования и представления главными распорядителями средств федерального бюджета обоснований бюджетных ассигнований, утвержденный приказом Министерства финансов Российской Федерации от 28 февраля 2020 г. № 32н"
(Зарегистрирован 22.09.2020 № 59982)
Номер опубликования: 0001202009230026
Дата опубликования: 23.09.2020
Страница №52 из 184: