Официальное опубликование правовых актов
ОФИЦИАЛЬНОЕ ОПУБЛИКОВАНИЕ
Приказ Федеральной антимонопольной службы от 13.12.2021 № 1392/21
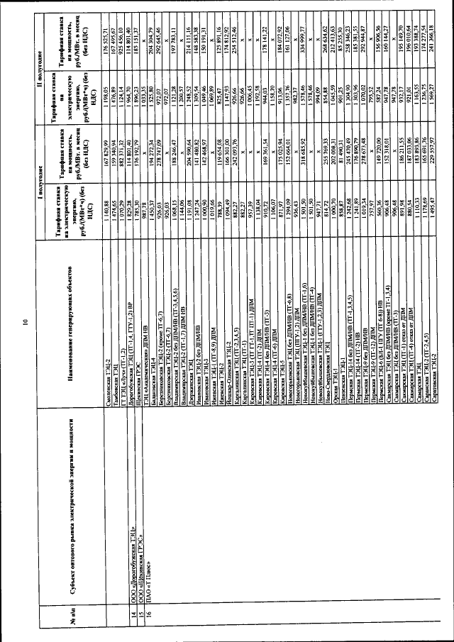
"Об утверждении цен (тарифов) на электрическую энергию (мощность), поставляемую в ценовых зонах оптового рынка субъектами оптового рынка - производителями электрической энергии (мощности) по договорам, заключенным в соответствии с законодательством Российской Федерации с гарантирующими поставщиками (энергоснабжающими организациями, энергосбытовыми организациями, к числу покупателей электрической энергии (мощности) которых относятся население и (или) приравненные к нему категории потребителей), в целях обеспечения потребления электрической энергии населением и (или) приравненными к нему категориями потребителей, а также с определенными Правительством Российской Федерации субъектами оптового рынка - покупателями электрической энергии (мощности), функционирующими в отдельных частях ценовых зон оптового рынка, для которых Правительством Российской Федерации установлены особенности функционирования оптового и розничных рынков, на 2022 год"
(Зарегистрирован 30.12.2021 № 66700)
Номер опубликования: 0001202112300091
Дата опубликования: 30.12.2021
Страница №10 из 16:
Увеличить