Официальное опубликование правовых актов
ОФИЦИАЛЬНОЕ ОПУБЛИКОВАНИЕ
Приказ Федеральной антимонопольной службы от 11.12.2023 № 965/23
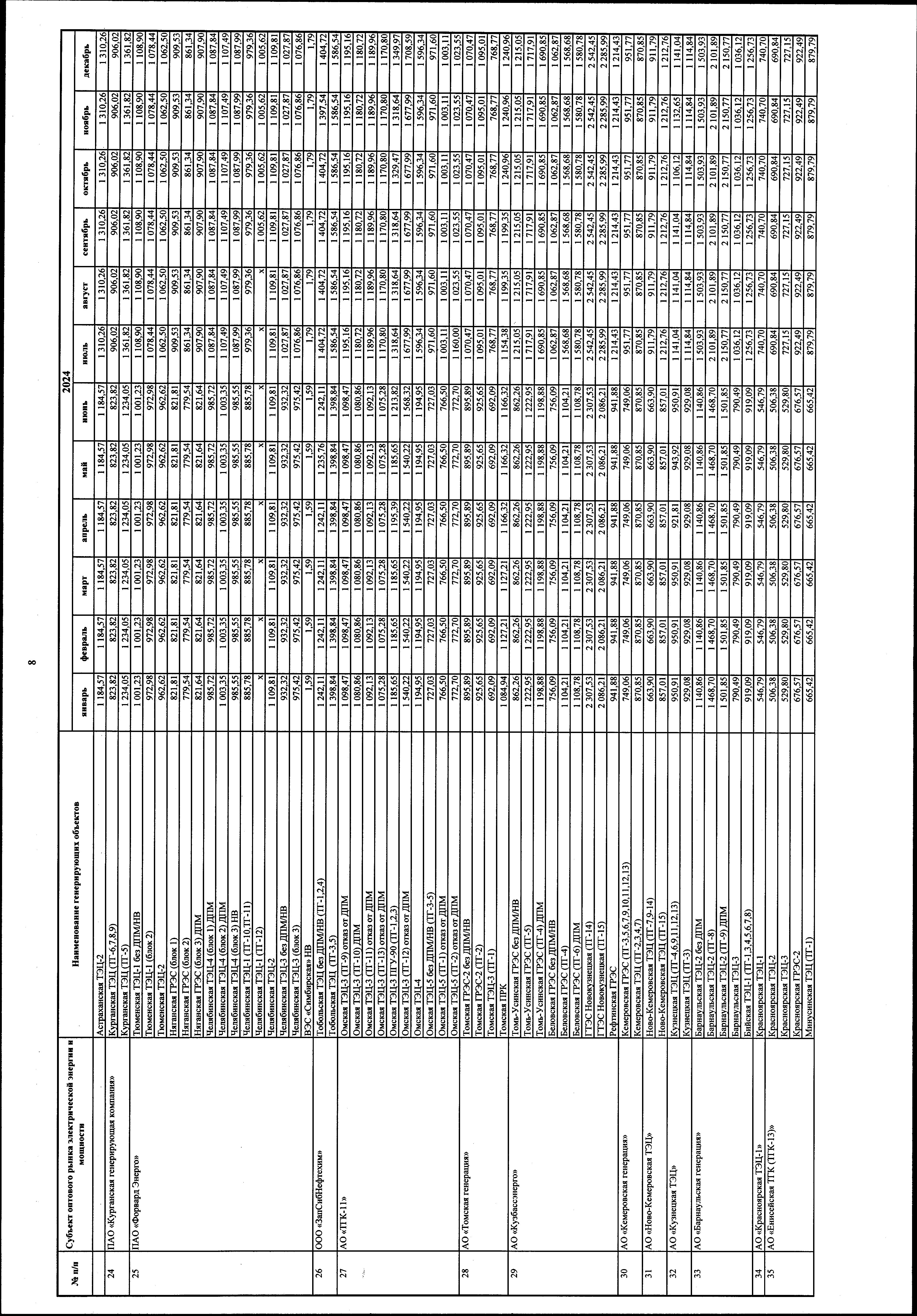
"Об утверждении цен (тарифов) на электрическую энергию на 2024 год, поставляемую в условиях ограничения или отсутствия конкуренции при введении государственного регулирования"
(Зарегистрирован 21.12.2023 № 76523)
Номер опубликования: 0001202312210038
Дата опубликования: 21.12.2023
Страница №8 из 13: