Официальное опубликование правовых актов
ОФИЦИАЛЬНОЕ ОПУБЛИКОВАНИЕ
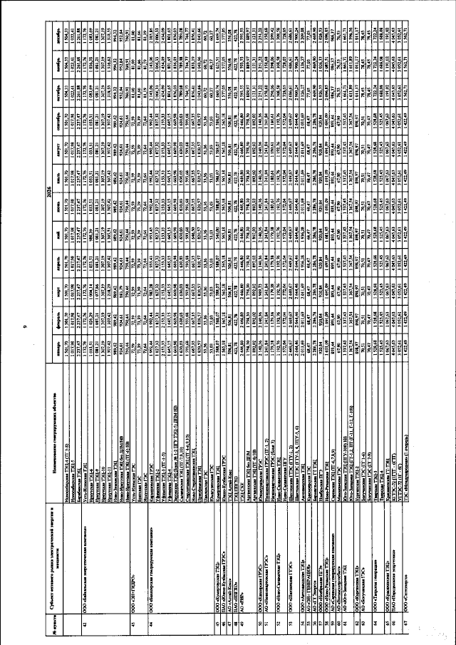
Приказ Федеральной антимонопольной службы от 19.12.2025 № 1128/25
"Об утверждении цен (тарифов) на электрическую энергию на 2026 год, поставляемую в условиях ограничения или отсутствия конкуренции при введении государственного регулирования"
(Зарегистрирован 29.01.2026 № 85114)
Номер опубликования: 0001202601290007
Дата опубликования: 29.01.2026
Страница №9 из 13:
Увеличить