Официальное опубликование правовых актов
ОФИЦИАЛЬНОЕ ОПУБЛИКОВАНИЕ
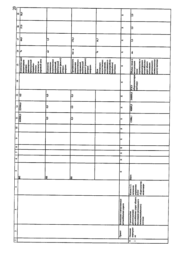
Постановление Правительства Карачаево-Черкесской Республики от 29.12.2020 № 304
"О внесении изменений в постановление Правительства Карачаево-Черкесской Республики от 31.01.2019 № 33 "Об утверждении государственной программы "Развитие строительства, архитектуры, градостроительства, жилищно-коммунального хозяйства и дорожного хозяйства в Карачаево-Черкесской Республике"
Номер опубликования: 0900202012300002
Дата опубликования: 30.12.2020
Страница №53 из 74:
Увеличить