Официальное опубликование правовых актов
ОФИЦИАЛЬНОЕ ОПУБЛИКОВАНИЕ
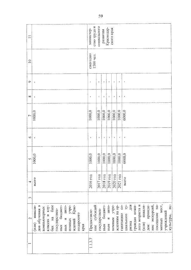
Постановление главы администрации (губернатора) Краснодарского края от 25.12.2015 № 1286
"О внесении изменений в постановление главы администрации (губернатора) Краснодарского края от 5 октября 2015 года № 938 "Об утверждении государственной программы Краснодарского края "Социальная поддержка граждан"
Номер опубликования: 2300201512290024
Дата опубликования: 29.12.2015
Страница №60 из 97:
Увеличить