Официальное опубликование правовых актов
ОФИЦИАЛЬНОЕ ОПУБЛИКОВАНИЕ
Постановление администрации Владимирской области от 15.10.2015 № 1031
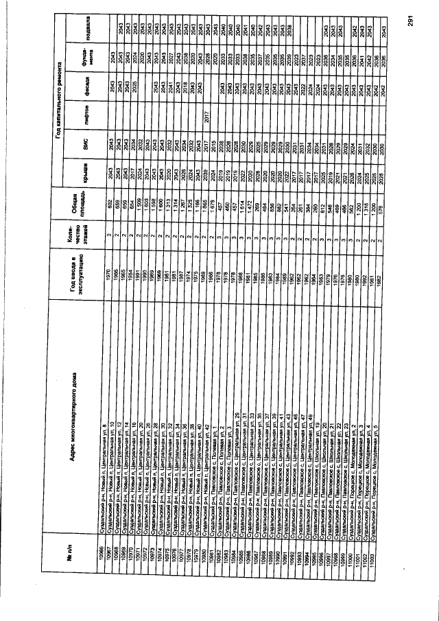
"О внесении изменений в постановление Губернатора области от 30.12.2013 № 1502 "Об утверждении региональной программы капитального ремонта на период с 2014 по 2043 годы"
Номер опубликования: 3300201510220005
Дата опубликования: 22.10.2015
Страница №316 из 330:
Увеличить