Официальное опубликование правовых актов
ОФИЦИАЛЬНОЕ ОПУБЛИКОВАНИЕ
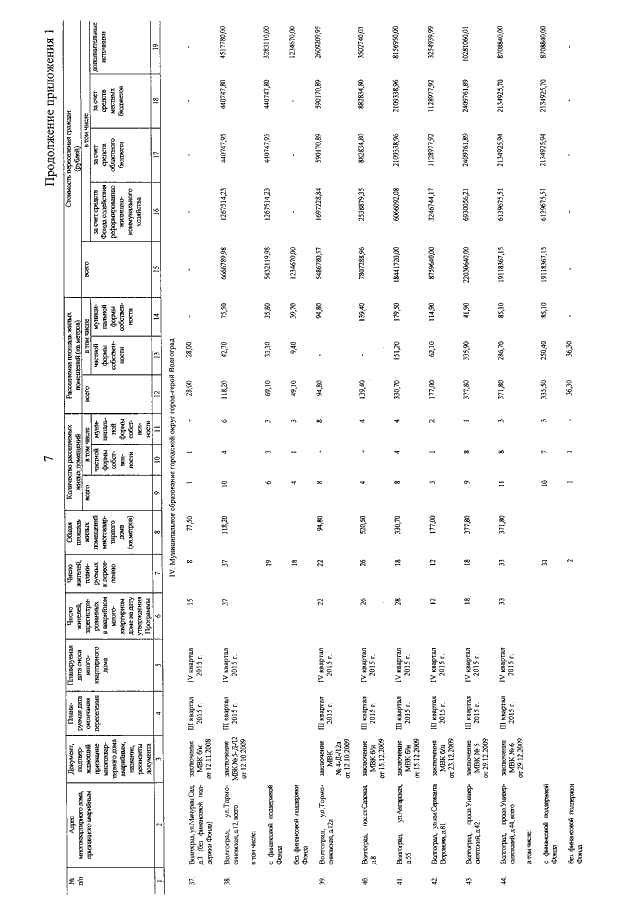
Постановление Администрации Волгоградской области от 13.03.2017 № 131-п
"О внесении изменений в постановление Правительства Волгоградской области от 23 апреля 2013 г. № 204-п "Об утверждении областной адресной программы "Переселение граждан из аварийного жилищного фонда на территории Волгоградской области в 2013-2017 годах"
Номер опубликования: 3400201703160011
Дата опубликования: 16.03.2017
Страница №10 из 66:
Увеличить