Официальное опубликование правовых актов
ОФИЦИАЛЬНОЕ ОПУБЛИКОВАНИЕ
Постановление Администрации Волгоградской области от 06.10.2025 № 599-п
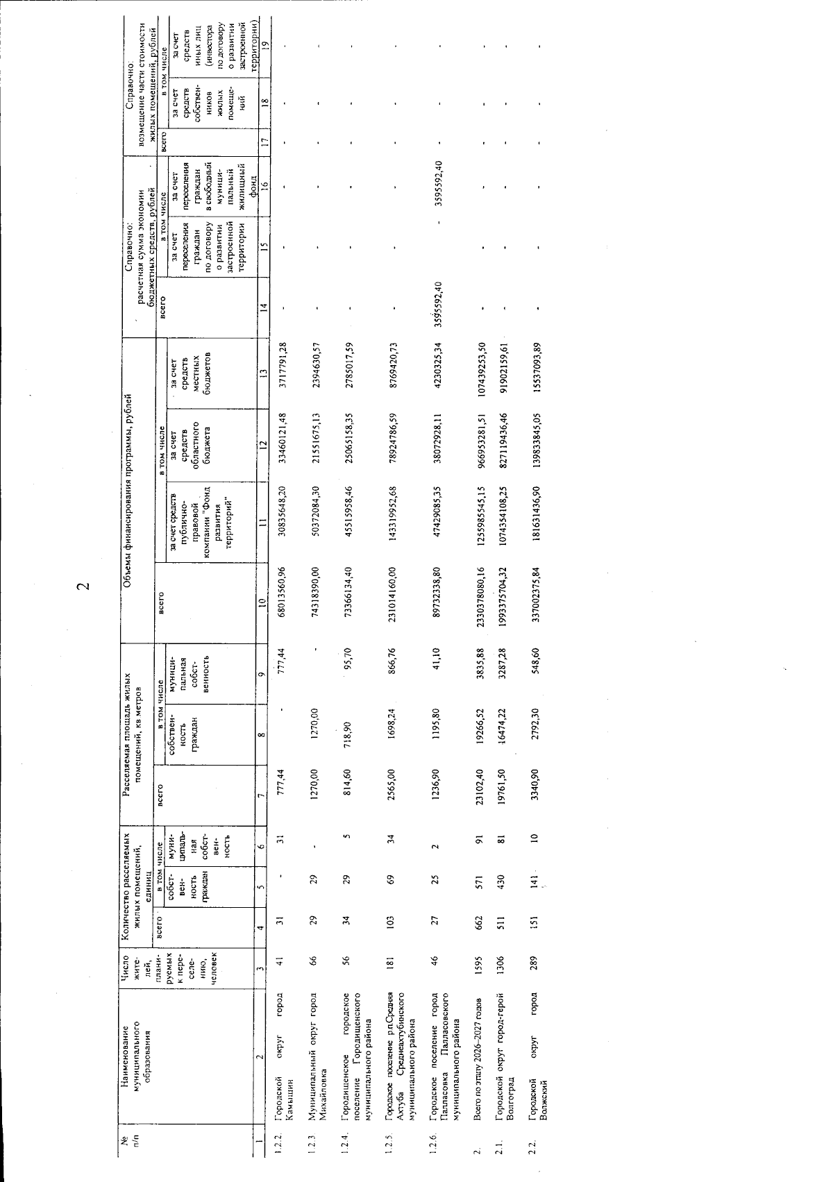
"Об утверждении региональной адресной программы "Переселение граждан из аварийного жилищного фонда на территории Волгоградской области в 2025-2027 годах"
Номер опубликования: 3400202510080001
Дата опубликования: 08.10.2025
Страница №86 из 88:
Увеличить