Официальное опубликование правовых актов
ОФИЦИАЛЬНОЕ ОПУБЛИКОВАНИЕ
Постановление Администрации Волгоградской области от 26.12.2025 № 862-п
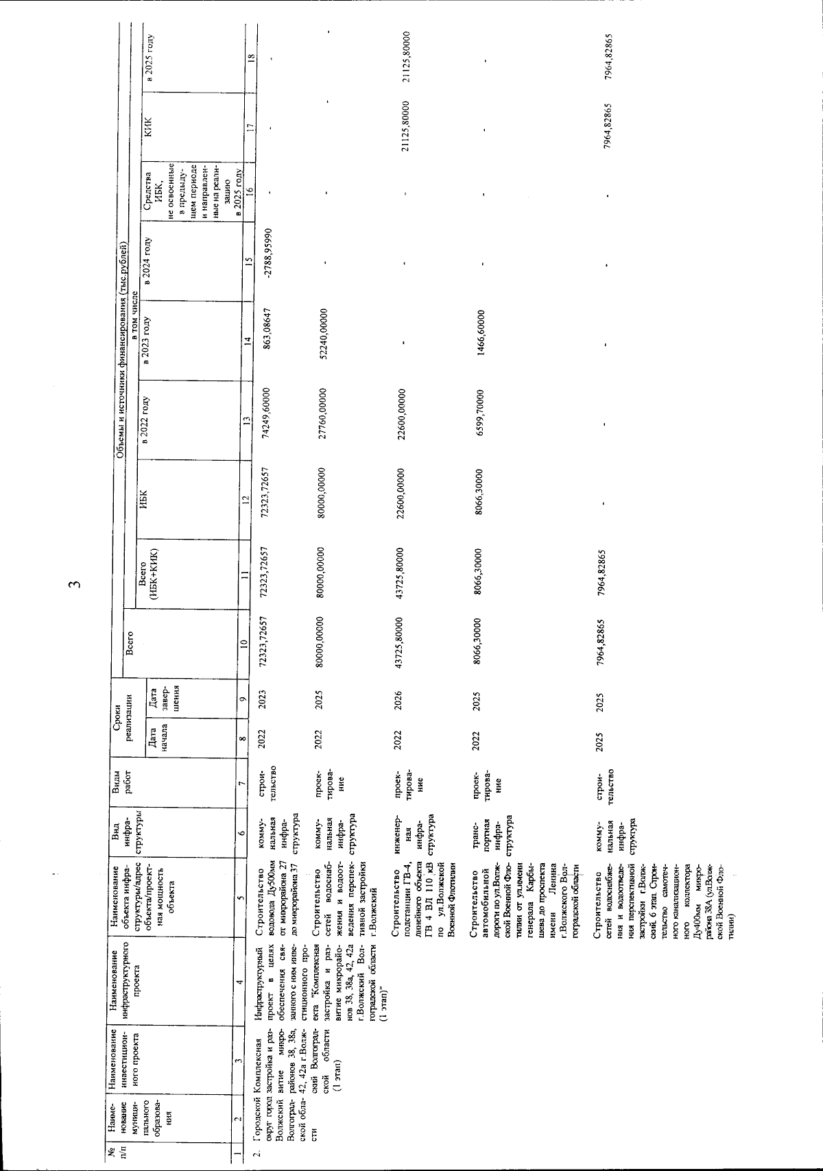
"О внесении изменения в постановление Администрации Волгоградской области от 17 ноября 2021 г. № 634-п "Об утверждении детализированного перечня мероприятий, реализуемых в рамках инфраструктурных проектов Волгоградской области, отобранных в соответствии с постановлением Правительства Российской Федерации от 14 июля 2021 г. № 1189 "Об утверждении Правил отбора (одобрения) инфраструктурных проектов (мероприятий), источником финансового обеспечения расходов на реализацию которых являются бюджетные кредиты из федерального бюджета бюджетам субъектов Российской Федерации на финансовое обеспечение реализации инфраструктурных проектов, и изменения параметров (характеристик) отобранных (одобренных) инфраструктурных проектов (мероприятий) и о внесении изменений в Положение о Правительственной комиссии по региональному развитию в Российской Федерации"
Номер опубликования: 3400202512290015
Дата опубликования: 29.12.2025
Страница №5 из 8:
Увеличить