Официальное опубликование правовых актов
ОФИЦИАЛЬНОЕ ОПУБЛИКОВАНИЕ
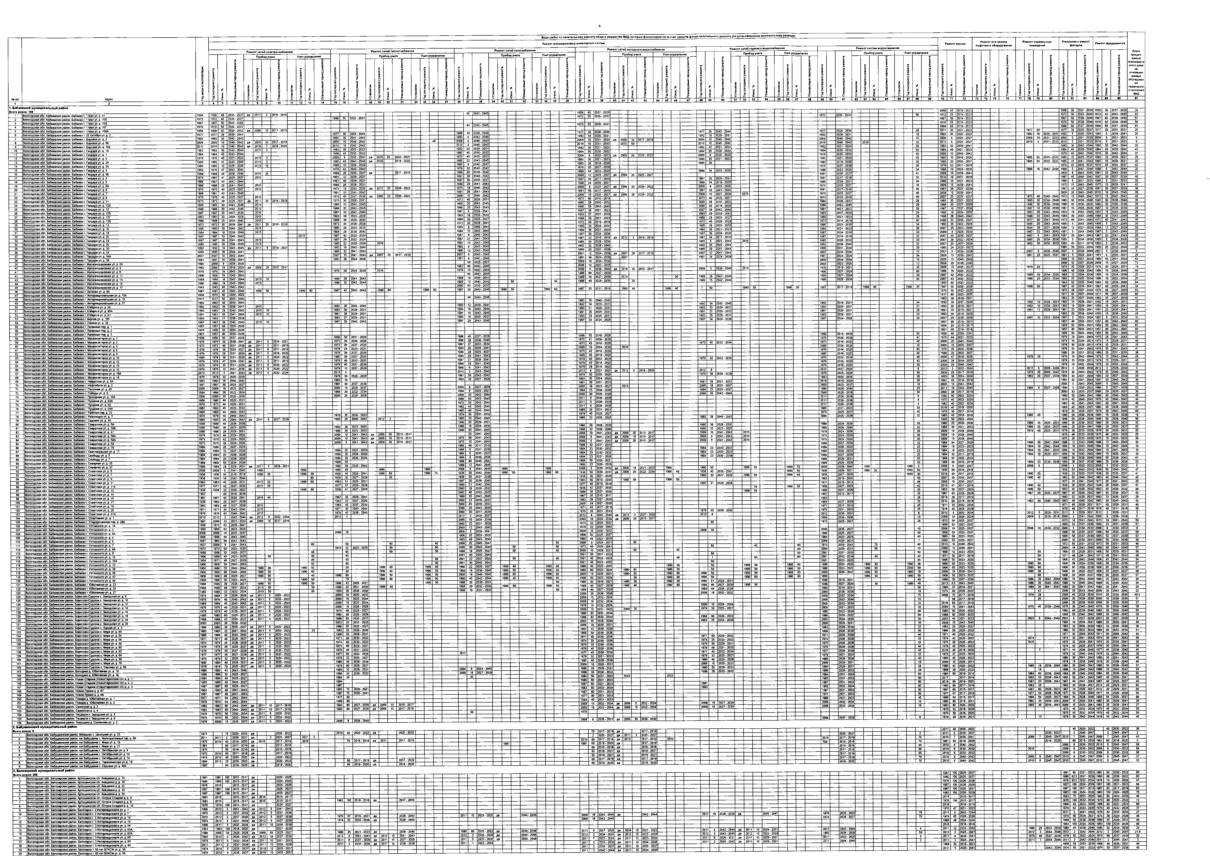
Постановление Правительства Вологодской области от 01.04.2019 № 328
"О внесении изменения в постановление Правительства области от 23 декабря 2013 года № 1354"
Номер опубликования: 3500201904030035
Дата опубликования: 03.04.2019
Страница №4 из 51: