Официальное опубликование правовых актов
ОФИЦИАЛЬНОЕ ОПУБЛИКОВАНИЕ
Указ губернатора Воронежской области от 19.04.2018 № 225-у
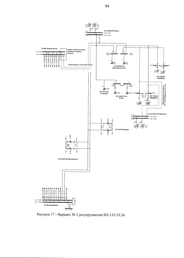
"Об утверждении схемы и программы перспективного развития электроэнергетики Воронежской области на 2019 – 2023 годы"
Номер опубликования: 3600201804230003
Дата опубликования: 23.04.2018
Страница №85 из 164:
Увеличить