Официальное опубликование правовых актов
ОФИЦИАЛЬНОЕ ОПУБЛИКОВАНИЕ
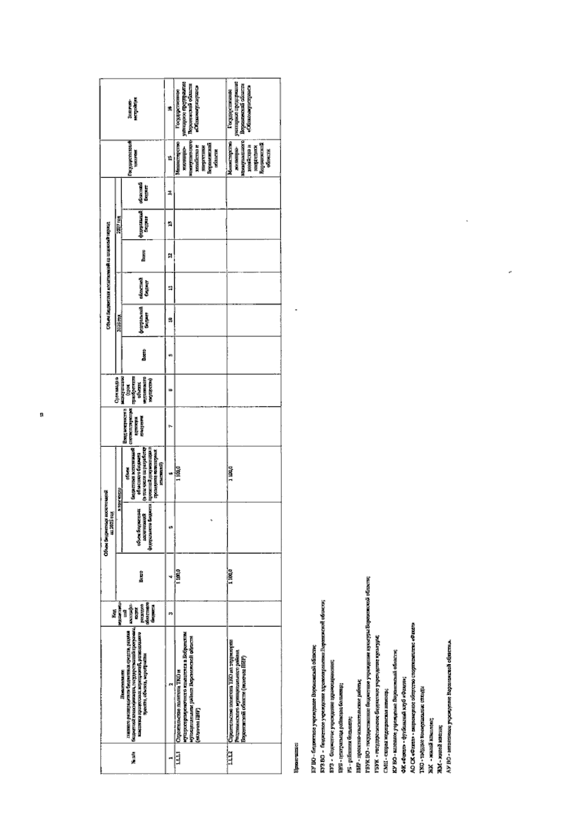
Постановление Правительства Воронежской области от 24.12.2025 № 808
"О внесении изменения в постановление Правительства Воронежской области от 28.12.2024 № 903"
Номер опубликования: 3600202512250005
Дата опубликования: 25.12.2025
Страница №14 из 14:
Увеличить