Официальное опубликование правовых актов
ОФИЦИАЛЬНОЕ ОПУБЛИКОВАНИЕ
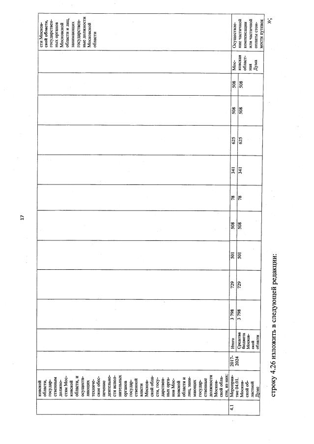
Постановление Правительства Московской области от 02.08.2022 № 784/27
"О внесении изменений в государственную программу Московской области "Социальная защита населения Московской области" на 2017-2024 годы"
Номер опубликования: 5000202208090003
Дата опубликования: 09.08.2022
Страница №19 из 31:
Увеличить