Официальное опубликование правовых актов
ОФИЦИАЛЬНОЕ ОПУБЛИКОВАНИЕ
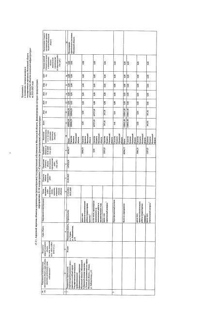
Постановление Правительства Московской области от 16.03.2023 № 128-ПП
"О внесении изменений в государственную программу Московской области "Строительство объектов социальной инфраструктуры" на 2023-2027 годы"
Номер опубликования: 5000202303200011
Дата опубликования: 20.03.2023
Страница №9 из 38:
Увеличить