Официальное опубликование правовых актов
ОФИЦИАЛЬНОЕ ОПУБЛИКОВАНИЕ
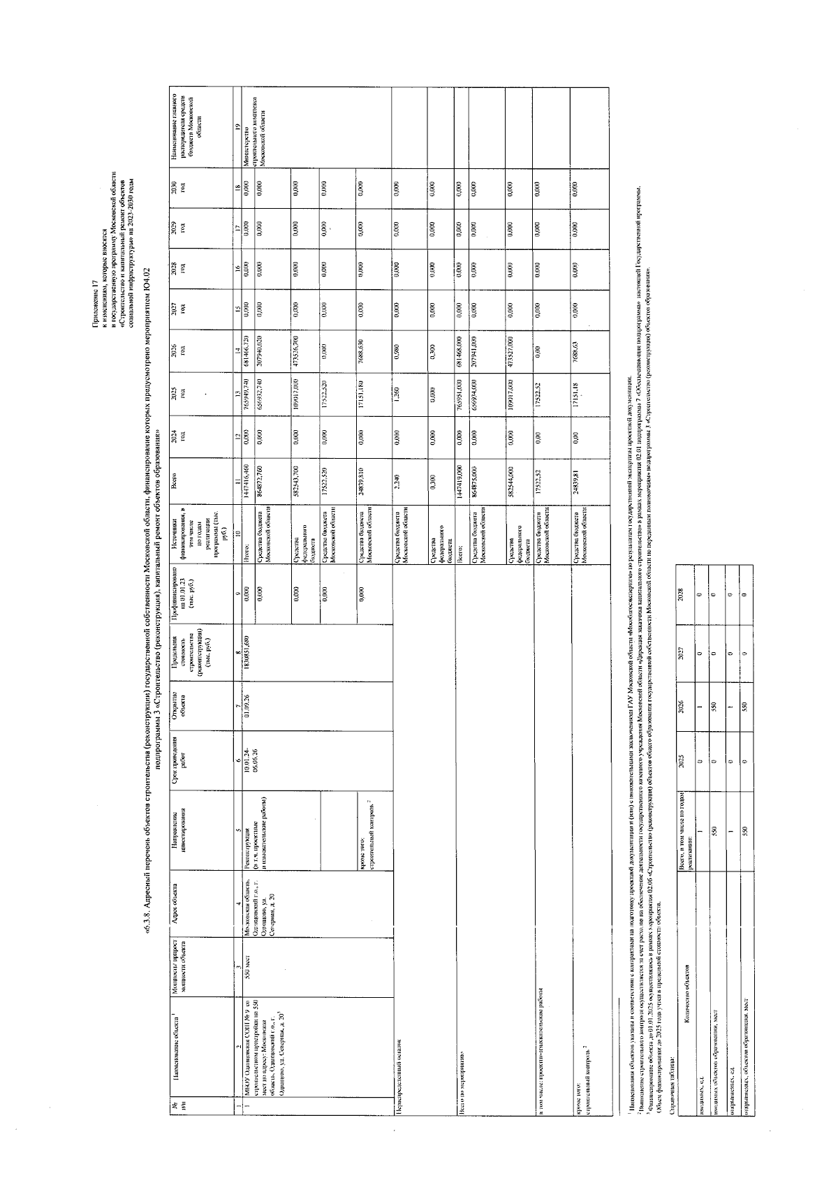
Постановление Правительства Московской области от 17.12.2024 № 1594-ПП
"О внесении изменений в постановление Правительства Московской области от 04.10.2022 № 1071/35 "О досрочном прекращении реализации государственной программы Московской области "Строительство объектов социальной инфраструктуры" и утверждении государственной программы Московской области "Строительство и капитальный ремонт объектов социальной инфраструктуры" на 2023-2030 годы"
Номер опубликования: 5000202412250011
Дата опубликования: 25.12.2024
Страница №121 из 258:
Увеличить