Официальное опубликование правовых актов
ОФИЦИАЛЬНОЕ ОПУБЛИКОВАНИЕ
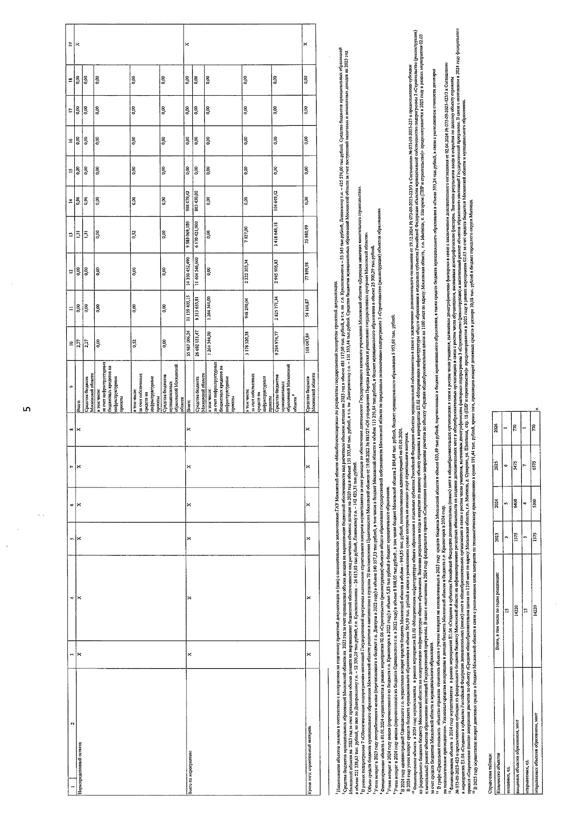
Постановление Правительства Московской области от 27.08.2025 № 1087-ПП
"О распределении бюджетных ассигнований бюджета Московской области и внесении изменений в государственную программу Московской области "Строительство и капитальный ремонт объектов социальной инфраструктуры" на 2023-2030 годы"
Номер опубликования: 5000202509050003
Дата опубликования: 05.09.2025
Страница №46 из 59:
Увеличить