Официальное опубликование правовых актов
ОФИЦИАЛЬНОЕ ОПУБЛИКОВАНИЕ
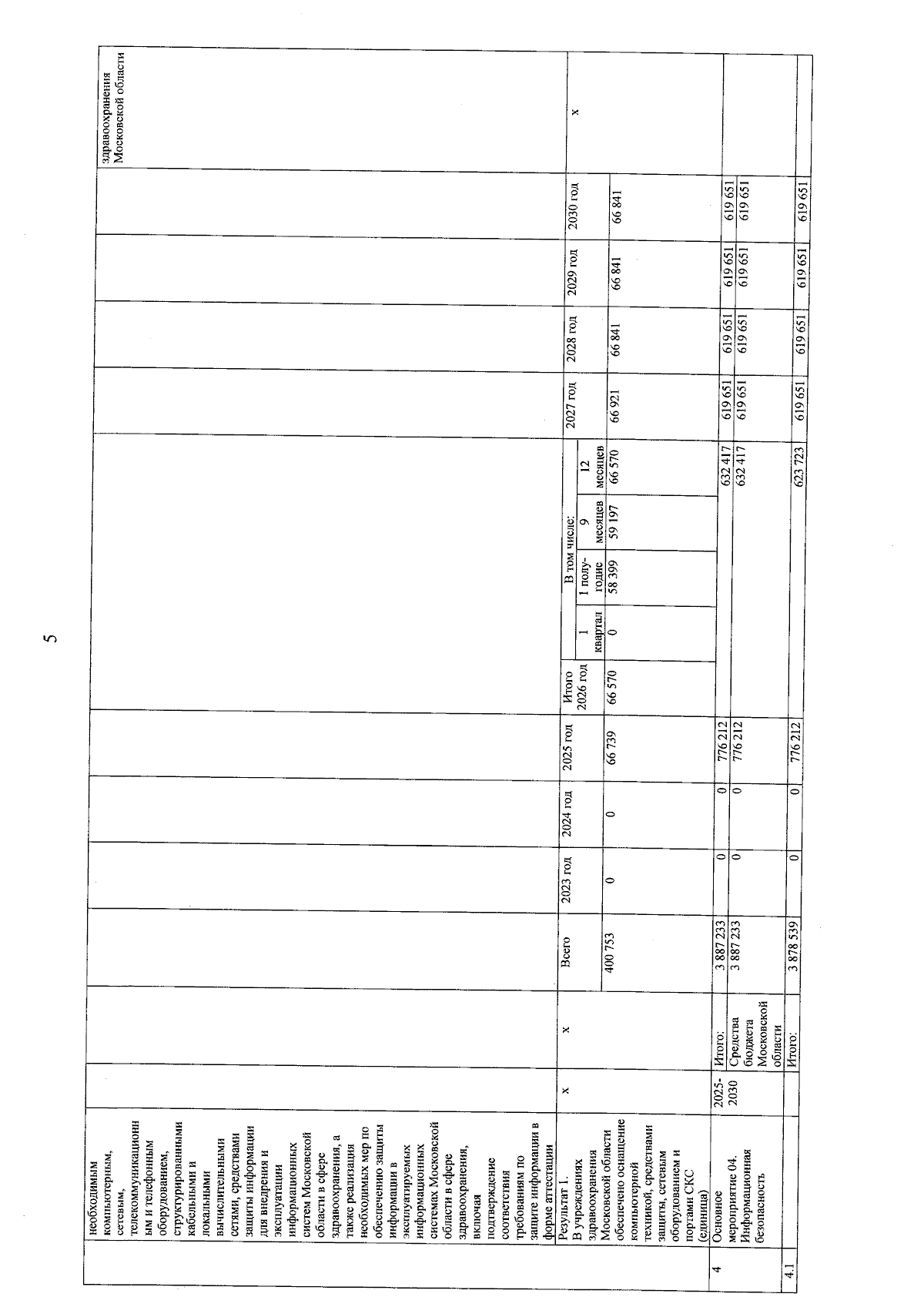
Постановление Правительства Московской области от 02.03.2026 № 198-ПП
"О внесении изменений в государственную программу Московской области "Цифровое Подмосковье" на 2023-2030 годы"
Номер опубликования: 5000202603040005
Дата опубликования: 04.03.2026
Страница №7 из 16:
Увеличить