Официальное опубликование правовых актов
ОФИЦИАЛЬНОЕ ОПУБЛИКОВАНИЕ
Постановление Правительства Московской области от 10.03.2026 № 218-ПП
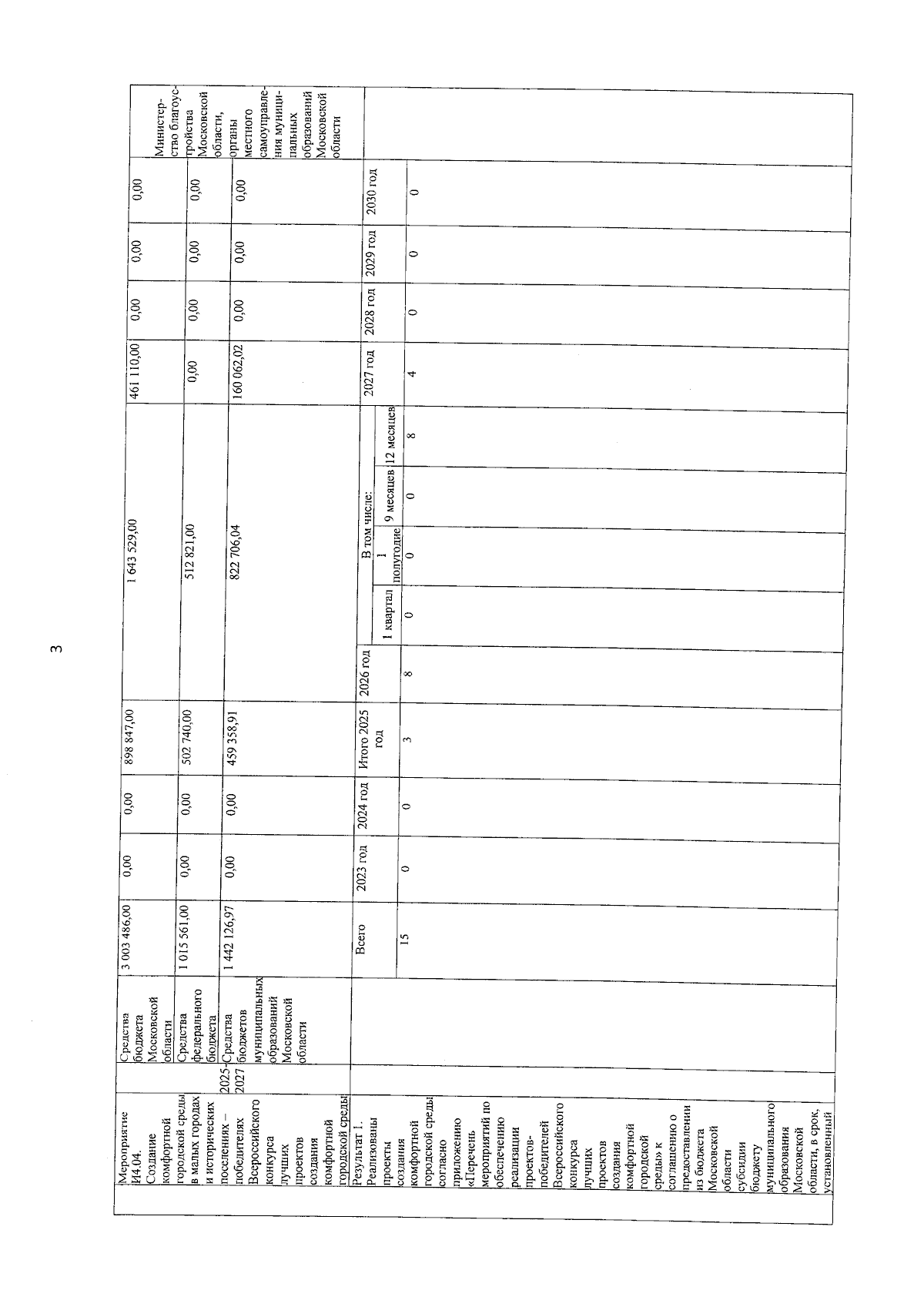
"О перераспределении бюджетных ассигнований бюджета Московской области, распределении бюджетных ассигнований бюджета Московской области и внесении изменений в государственную программу Московской области "Формирование современной комфортной городской среды" на 2023—2030 годы"
Номер опубликования: 5000202603110007
Дата опубликования: 11.03.2026
Страница №7 из 10:
Увеличить