Официальное опубликование правовых актов
ОФИЦИАЛЬНОЕ ОПУБЛИКОВАНИЕ
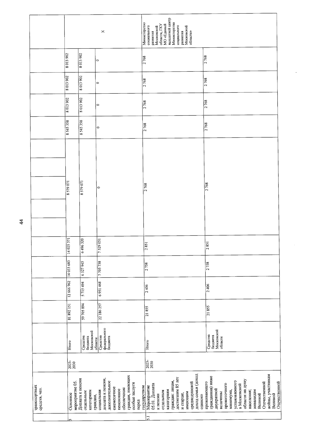
Постановление Правительства Московской области от 16.03.2026 № 251-ПП
"О внесении изменений в государственную программу Московской области "Социальная защита населения Московской области" на 2023-2030 годы"
Номер опубликования: 5000202603170009
Дата опубликования: 17.03.2026
Страница №46 из 192:
Увеличить