Официальное опубликование правовых актов
ОФИЦИАЛЬНОЕ ОПУБЛИКОВАНИЕ
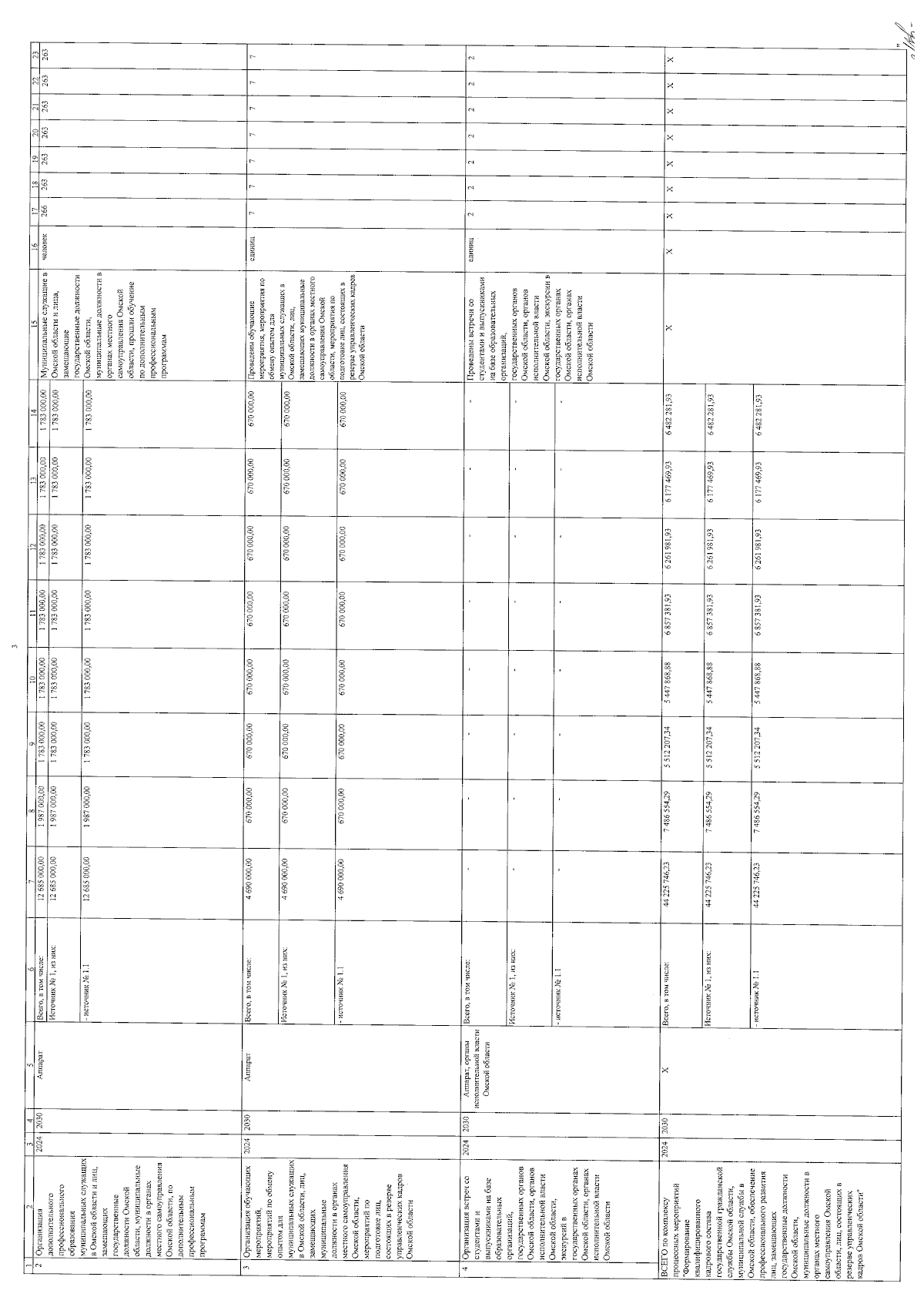
Постановление Правительства Омской области от 07.11.2024 № 643-п
"О внесении изменений в постановление Правительства Омской области от 28 октября 2023 года № 587-п"
Номер опубликования: 5500202411070019
Дата опубликования: 07.11.2024
Страница №8 из 14:
Увеличить