Официальное опубликование правовых актов
ОФИЦИАЛЬНОЕ ОПУБЛИКОВАНИЕ
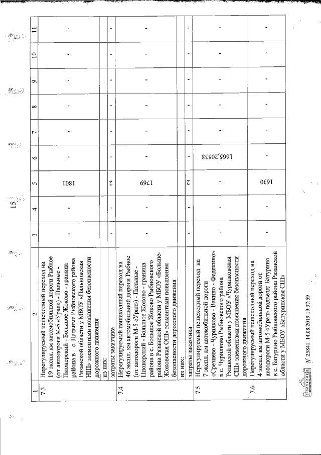
Постановление Правительства Рязанской области от 20.08.2019 № 270
"О внесении изменений в постановление Правительства Рязанской области от 30 октября 2013 г. № 358 "Об утверждении государственной программы Рязанской области "Дорожное хозяйство и транспорт" (в редакции постановлений Правительства Рязанской области от 19.03.2014 № 64, от 14.05.2014 № 123, от 16.07.2014 № 202, от 09.09.2014 № 254, от 10.12.2014 № 364, от 23.12.2014 № 397, от 21.01.2015 № 1, от 26.02.2015 № 29, от 23.04.2015 № 86, от 29.05.2015 № 121, от 12.08.2015 № 195, от 09.09.2015 № 219, от 21.10.2015 № 262, от 02.12.2015 № 294, от 23.03.2016 № 50, от 02.06.2016 № 123, от 20.07.2016 № 162, от 28.09.2016 № 223, от 16.11.2016 № 256, от 23.12.2016 № 302, от 08.02.2017 № 15, от 21.02.2017 № 34, от 05.04.2017 № 58, от 30.05.2017 № 127, от 28.09.2017 № 227, от 08.11.2017 № 276, от 12.12.2017 № 339, от 13.02.2018 № 30, от 03.04.2018 № 81, от 20.06.2018 № 177, от 07.08.2018 № 221, от 11.09.2018 № 261, от 19.12.2018 № 385, от 19.12.2018 № 386, от 29.12.2018 № 445, от 07.02.2019 № 27, от 04.04.2019 № 96, от 06.06.2019 № 157, от 26.06.2019 № 193)"
Номер опубликования: 6200201908260003
Дата опубликования: 26.08.2019
Страница №111 из 137:
Увеличить