Официальное опубликование правовых актов
ОФИЦИАЛЬНОЕ ОПУБЛИКОВАНИЕ
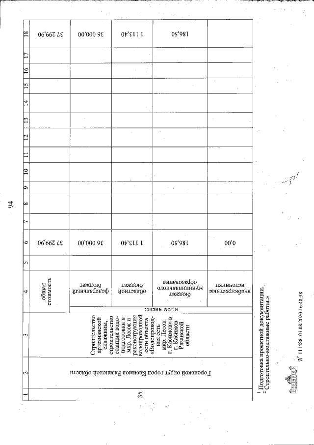
Постановление Правительства Рязанской области от 04.08.2020 № 198
"О внесении изменений в постановление Правительства Рязанской области от 29 октября 2014 г. № 314 "Об утверждении государственной программы Рязанской области "Развитие коммунальной инфраструктуры, энергосбережение и повышение энергетической эффективности" (в редакции постановлений Правительства Рязанской области от 18.03.2015 № 49, от 23.04.2015 № 89, от 15.07.2015 № 171, от 16.12.2015 № 317, от 17.02.2016 № 28, от 03.08.2016 № 174, от 18.01.2017 № 4, от 15.03.2017 № 51, от 19.07.2017 № 169, от 31.10.2017 № 272, от 26.12.2017 № 413, от 17.04.2018 № 98, от 25.09.2018 № 272, от 19.10.2018 № 295, от 12.11.2018 № 321, от 21.12.2018 № 392, от 28.12.2018 № 433, от 05.02.2019 № 21, от 19.03.2019 № 69, от 21.05.2019 № 138, от 26.06.2019 № 190, от 29.10.2019 № 331, от 27.12.2019 № 440, от 07.02.2020 № 12, от 17.03.2020 № 53, от 09.06.2020 № 135)"
Номер опубликования: 6200202008070006
Дата опубликования: 07.08.2020
Страница №100 из 153:
Увеличить