Официальное опубликование правовых актов
ОФИЦИАЛЬНОЕ ОПУБЛИКОВАНИЕ
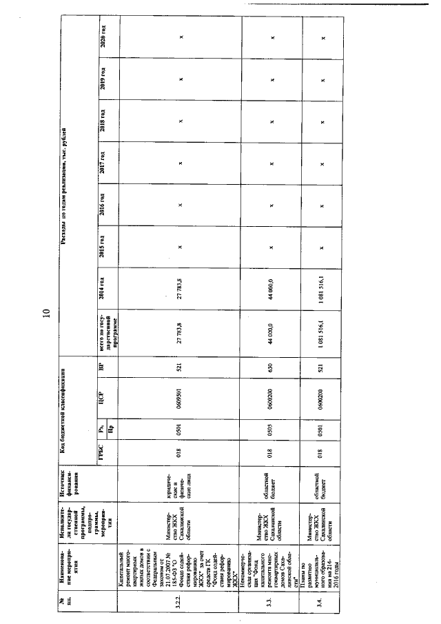
Постановление Правительства Сахалинской области от 25.08.2016 № 423
"О внесении изменений в государственную программу Сахалинской области "Обеспечение населения Сахалинской области качественными услугами жилищно-коммунального хозяйства на 2014 - 2020 годы", утвержденную постановлением Правительства Сахалинской области от 31.05.2013 № 278"
Номер опубликования: 6500201608310003
Дата опубликования: 31.08.2016
Страница №108 из 151:
Увеличить