Официальное опубликование правовых актов
ОФИЦИАЛЬНОЕ ОПУБЛИКОВАНИЕ
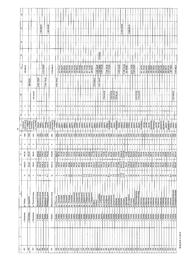
Постановление администрации Тамбовской области от 20.09.2016 № 1099
"О внесении изменений в отдельные постановления администрации области"
Номер опубликования: 6800201609260004
Дата опубликования: 26.09.2016
Страница №17 из 45:
Увеличить