Официальное опубликование правовых актов
ОФИЦИАЛЬНОЕ ОПУБЛИКОВАНИЕ
Постановление Правительства Тверской области от 28.08.2025 № 451-пп
"О внесении изменений в постановление Правительства Тверской области от 09.02.2024 № 41-пп"
Номер опубликования: 6900202508290005
Дата опубликования: 29.08.2025
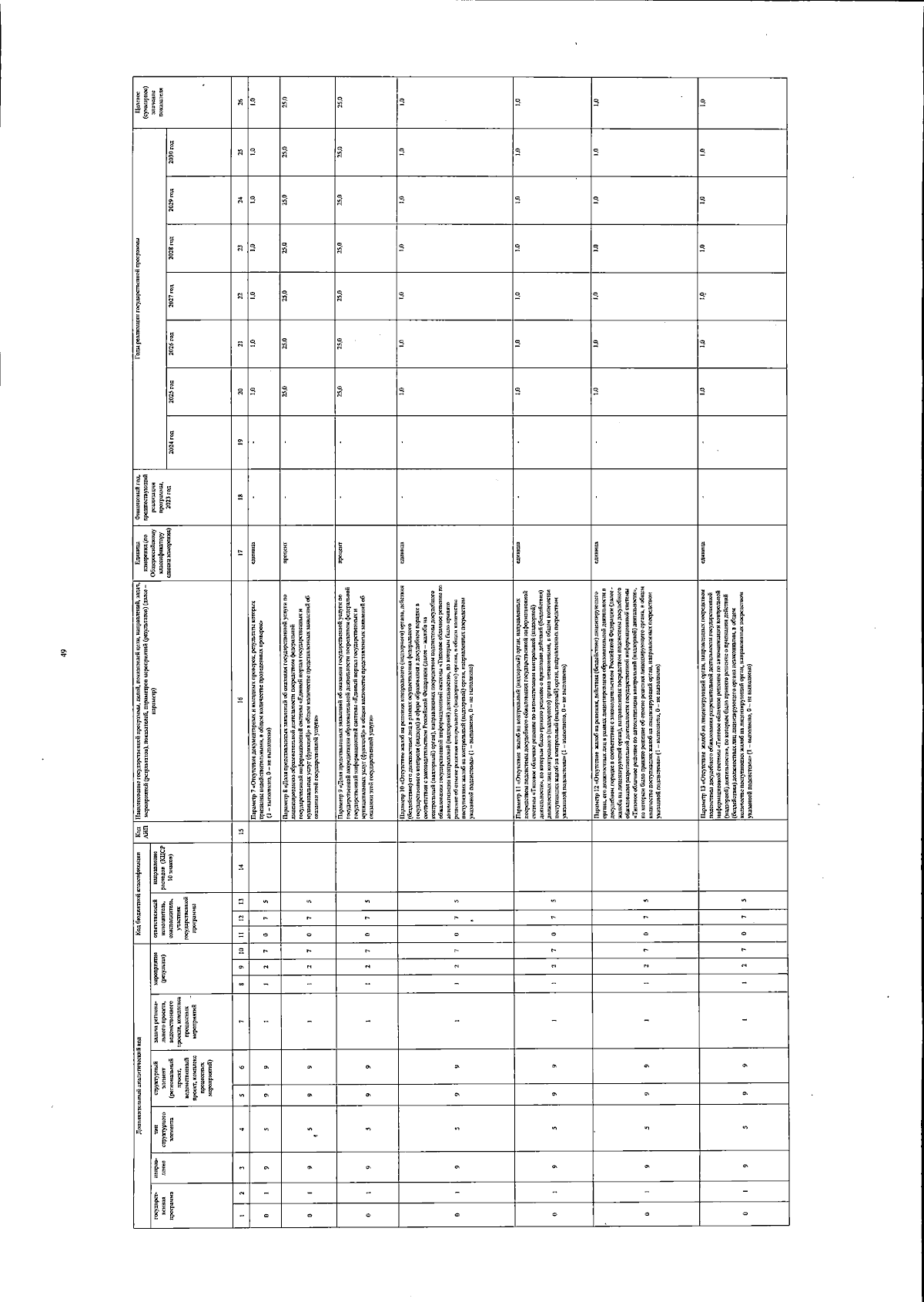
Страница №49 из 50:
Увеличить