Официальное опубликование правовых актов
ОФИЦИАЛЬНОЕ ОПУБЛИКОВАНИЕ
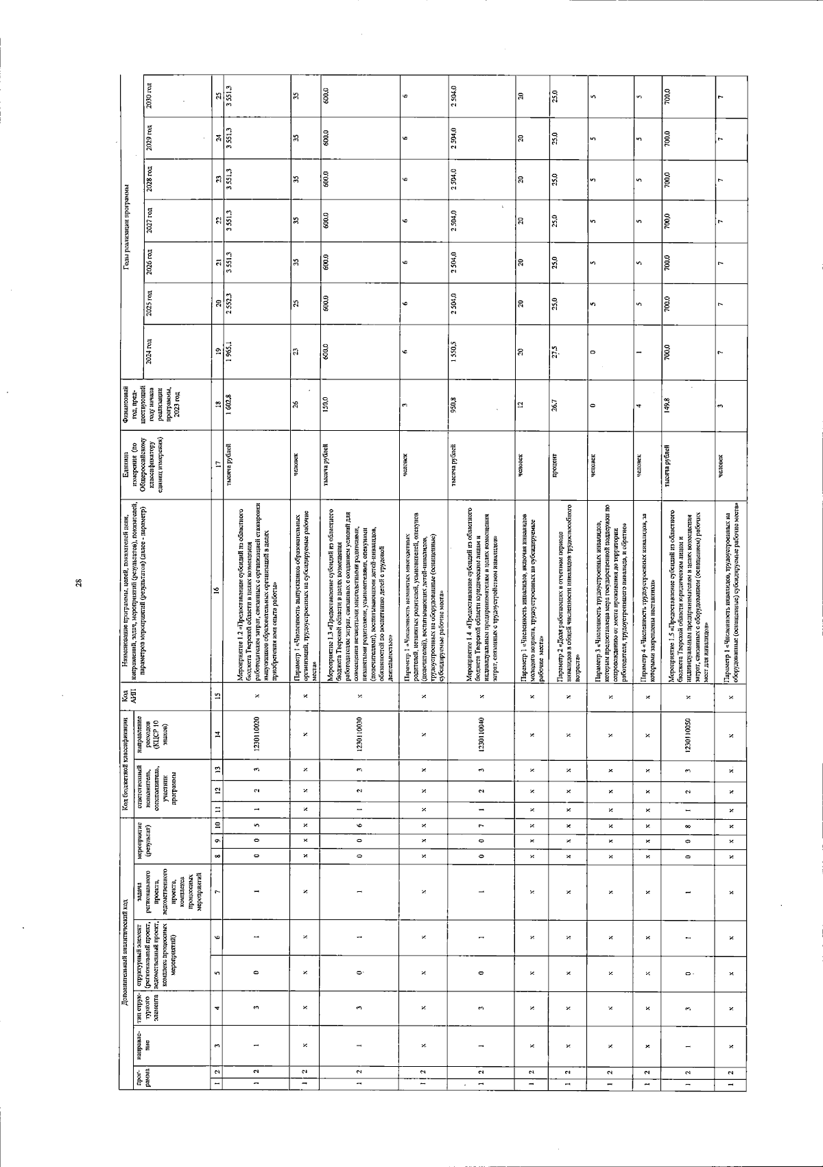
Постановление Правительства Тверской области от 12.09.2025 № 490-пп
"О внесении изменений в постановление Правительства Тверской области от 15.02.2024 № 53-пп"
Номер опубликования: 6900202509150022
Дата опубликования: 15.09.2025
Страница №28 из 40:
Увеличить