Официальное опубликование правовых актов
ОФИЦИАЛЬНОЕ ОПУБЛИКОВАНИЕ
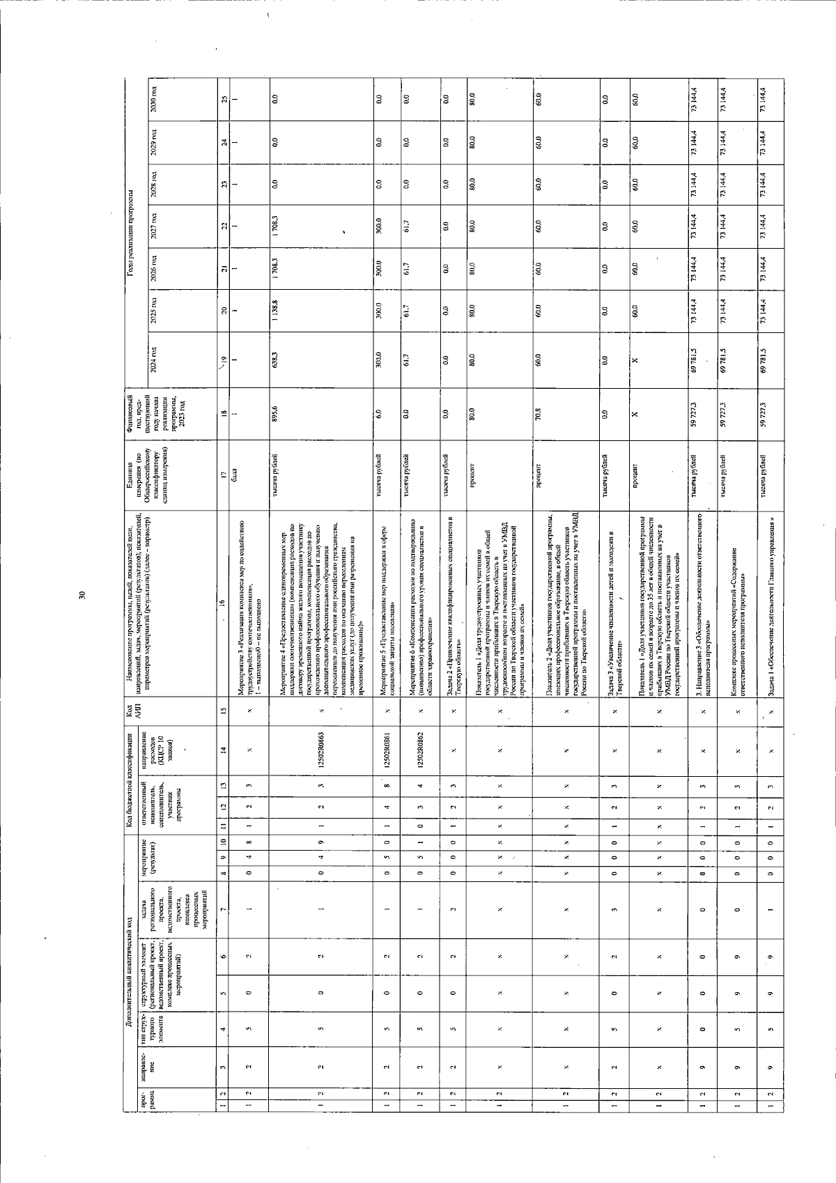
Постановление Правительства Тверской области от 22.12.2025 № 707-пп
"О внесении изменений в постановление Правительства Тверской области от 15.02.2024 № 53-пп"
Номер опубликования: 6900202512230004
Дата опубликования: 23.12.2025
Страница №30 из 31:
Увеличить