Официальное опубликование правовых актов
ОФИЦИАЛЬНОЕ ОПУБЛИКОВАНИЕ
Распоряжение Комитета по транспорту от 16.01.2026 № 3-р
"О внесении изменения в распоряжение Комитета по транспорту от 29.08.2024 № 383-р"
(Зарегистрирован 16.01.2026 № 51735)
Номер опубликования: 7801202601200001
Дата опубликования: 20.01.2026
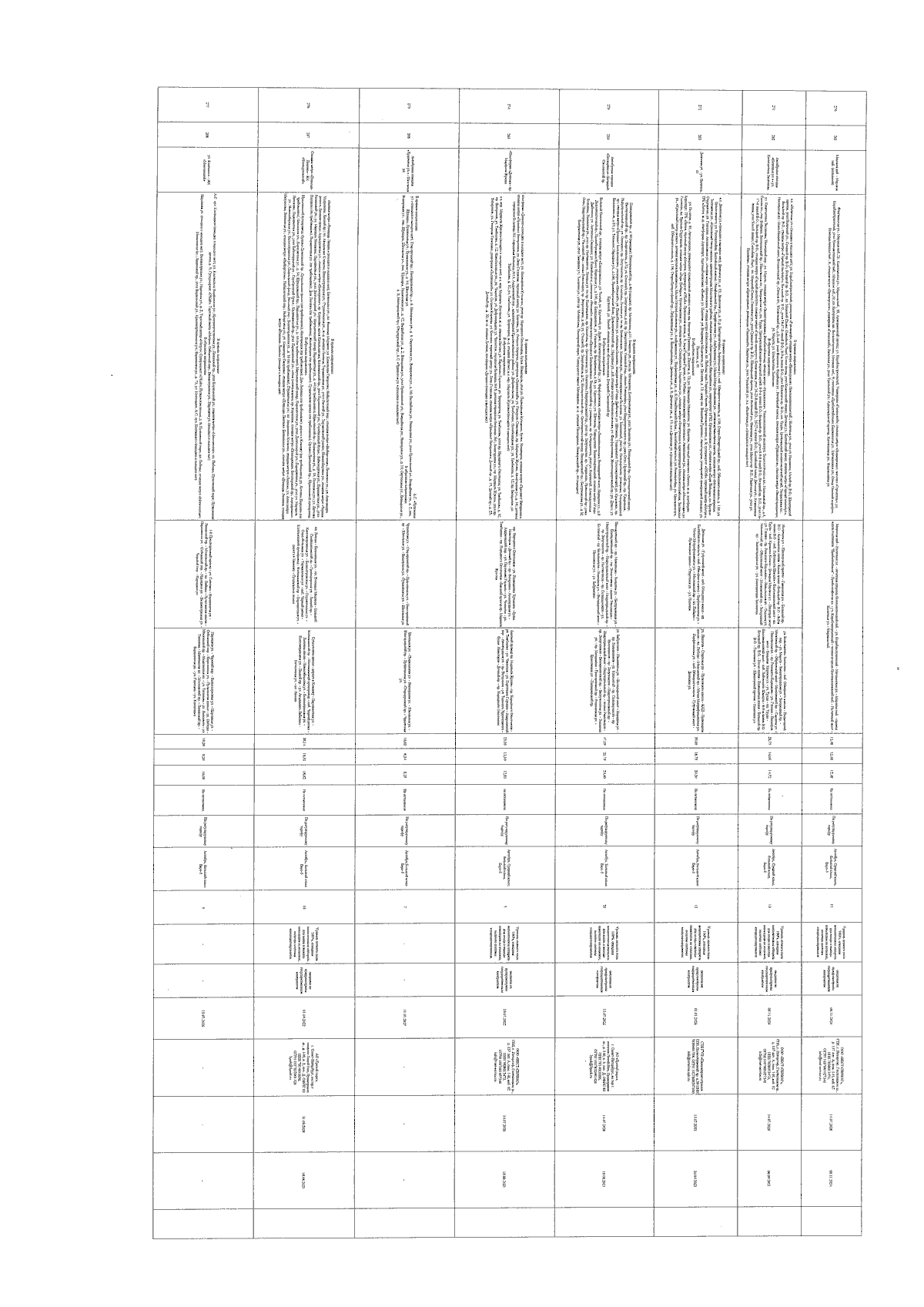
Страница №31 из 50:
Увеличить