Официальное опубликование правовых актов
ОФИЦИАЛЬНОЕ ОПУБЛИКОВАНИЕ
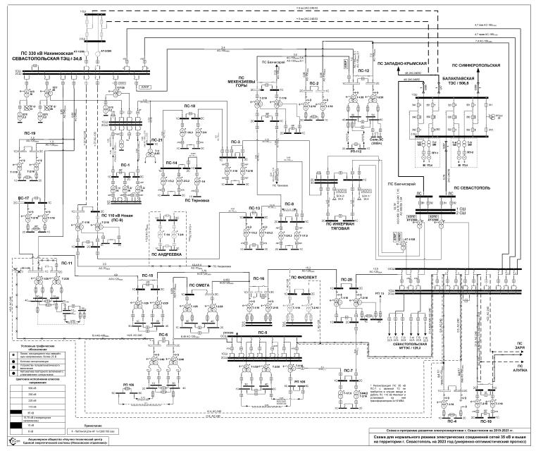
Распоряжение Губернатора города Севастополя от 16.12.2019 № 520-РГ
"Об утверждении схемы и программы перспективного развития электроэнергетики города Севастополя на 2019-2023 годы"
Номер опубликования: 9200201912230007
Дата опубликования: 23.12.2019
Страница №198 из 203: