Официальное опубликование правовых актов
ОФИЦИАЛЬНОЕ ОПУБЛИКОВАНИЕ
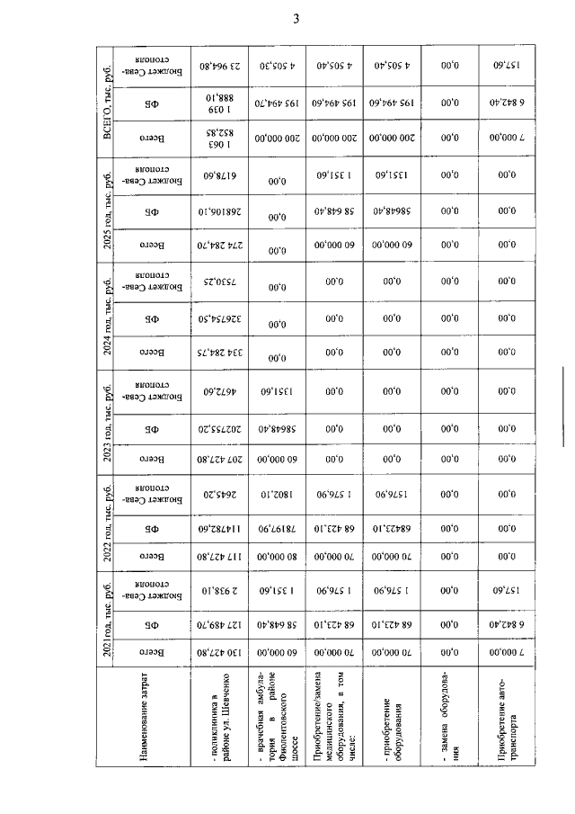
Постановление Правительства Севастополя от 15.12.2020 № 671-ПП
"Об утверждении региональной программы "Модернизация первичного звена здравоохранения города Севастополя"
Номер опубликования: 9200202012230002
Дата опубликования: 23.12.2020
Страница №44 из 172:
Увеличить